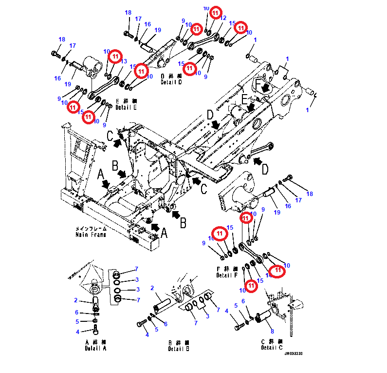
562-52-32110 خاک گیر بازو مندل HD1500-7
[ BOOT ]
نام فارسی : خاک گیر
شماره فنی قطعه : 562-52-32110
وزن قطعه : 0.230 کیلوگرم
حدود قیمت قطعه اصلی در کشور مبداء : 124.7 دلار
زمان بروز رسانی قیمت : 00:00:00 06-11-2025
562-52-32110 خاک گیر
خاک گیر بازو مندل دامتراک 160 تن کوماتسو HD1500-7
ماشین های سازگار
HD1500-7
فروشندگان این قطعه
در صورتی که فروشنده ای برای این قطعه وجود نداشت و یا اینکه مایل به دریافت پیشنهاد قیمت از سایر فروشندگان هستید میتوانید یک درخواست برای این قطعه ایجاد کنید

