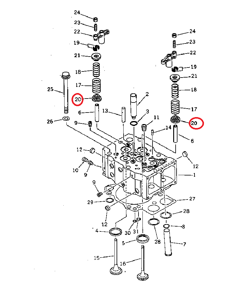
6162-43-4430 سیت زیر فنر سوپاپ WA600-1
[ SEAT ]
شماره فنی قطعه : 6162-43-4430
وزن قطعه : 0.040 کیلوگرم
حدود قیمت قطعه اصلی در کشور مبداء : 30.29 دلار
زمان بروز رسانی قیمت : 00:00:00 03-11-2025
6162-43-4430
سیت زیر فنر سوپاپ موتور SA6D170E-1 SA6D170E-2
ماشین های سازگار
WA600-1
WA600-3
WA700-1
WA700-3
HD465-5
در صورتی که فروشنده ای برای این قطعه وجود نداشت و یا اینکه مایل به دریافت پیشنهاد قیمت از سایر فروشندگان هستید میتوانید یک درخواست برای این قطعه ایجاد کنید

