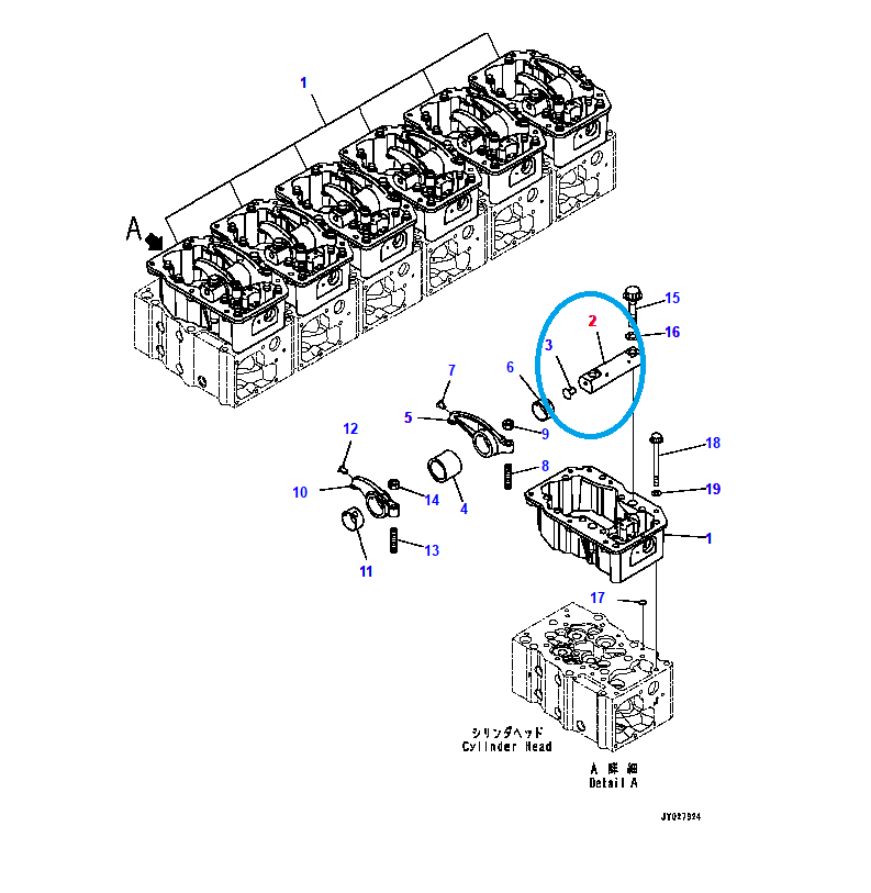
6245-41-5300 شفت غلتکی میل سوپاپ HD465-7R
[ SHAFT ASS'Y ]
نام فارسی : شفت غلتکی
شماره فنی قطعه : 6245-41-5300
وزن قطعه : 1.8 کیلوگرم
حدود قیمت قطعه اصلی در کشور مبداء : 209.6 دلار
زمان بروز رسانی قیمت : 00:00:00 30-01-2026
6245-41-5300 شفت غلتکی
شفت غلتکی میل سوپاپ HD465-7R
ماشین های سازگار
WA600-6
HD465-7E0
HD465-7R
PC1250-8
D375A-6R
در صورتی که فروشنده ای برای این قطعه وجود نداشت و یا اینکه مایل به دریافت پیشنهاد قیمت از سایر فروشندگان هستید میتوانید یک درخواست برای این قطعه ایجاد کنید

