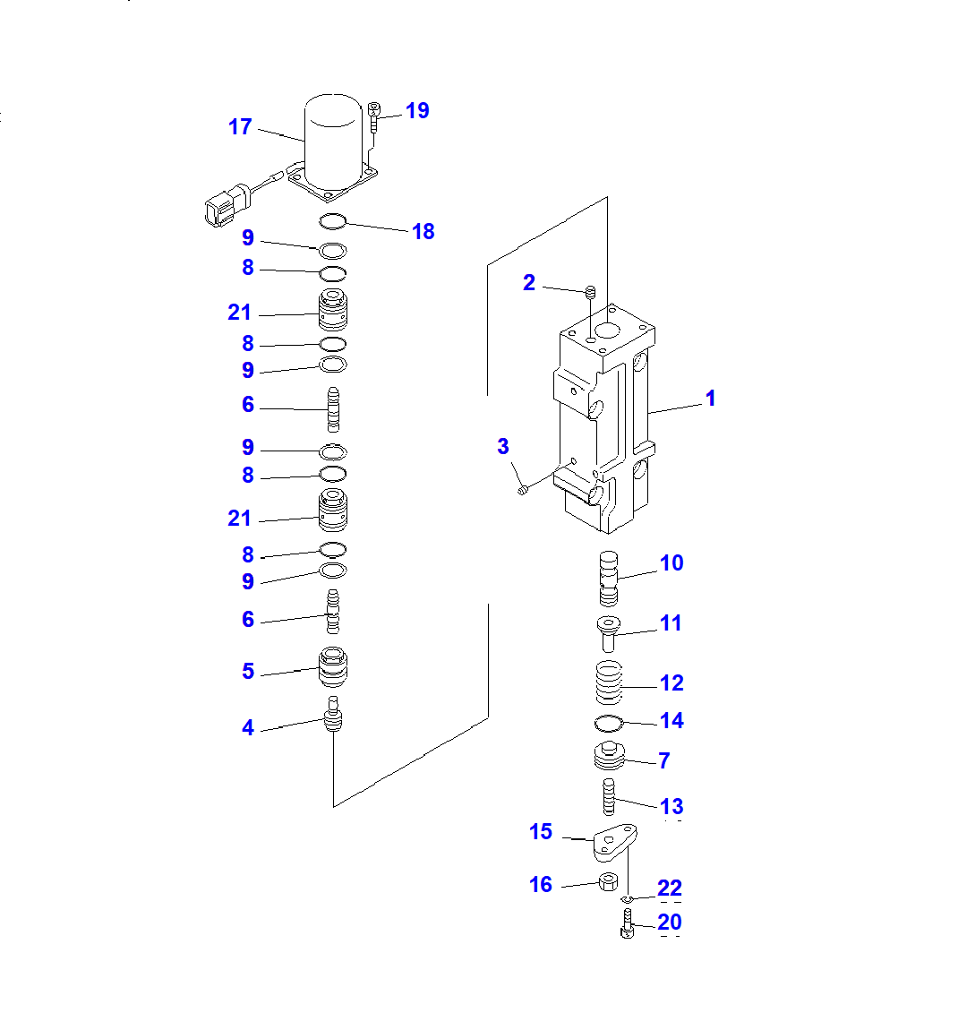
708-25-85280 سروو والو پمپ هیدرولیک PC800-7
[ SERVO VALVE ASS'Y ]
نام فارسی : سروو والو
شماره فنی قطعه : 708-25-85280
وزن قطعه : 16.400 کیلوگرم
حدود قیمت قطعه اصلی در کشور مبداء : 2090.40 دلار
زمان بروز رسانی قیمت : 00:00:00 17-11-2025
708-25-85280 سروو والو
شیر ریگلاتور پمپ هیدرولیک پمپ شماره 1 بیل مکانیکی کوماتسو PC800-7
برخی از قطعات این ریگلاتور عبارتند از:
708-25-09960
708-23-00451
708-27-18120
708-27-18130
708-27-18140
708-23-15160
708-23-18161
708-23-18170
708-25-18180
708-27-18150
708-2L-25190
ماشین های سازگار
PC750-7
PC800-7
فروشندگان این قطعه
در صورتی که فروشنده ای برای این قطعه وجود نداشت و یا اینکه مایل به دریافت پیشنهاد قیمت از سایر فروشندگان هستید میتوانید یک درخواست برای این قطعه ایجاد کنید

