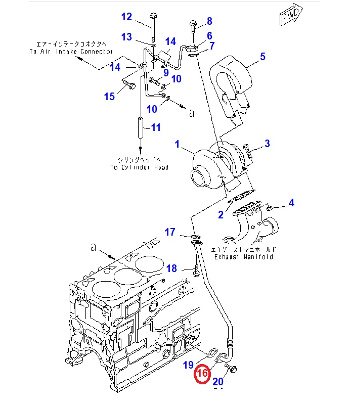
6154518570 لوله
[ TUBE ]
نام فارسی : لوله
شماره فنی قطعه : 6154518570
وزن قطعه : 0.440 کیلوگرم
حدود قیمت قطعه اصلی در کشور مبداء : 155.90 دلار
6154518570 لوله
لوله سوپر شارژ موتور کوماتسو SAA6D125E-3
ماشین های سازگار
SA6D125E-3A-7W
SA6D125E-3B-7
SA6D125E-3C-7A
SA6D125E-3C-7T
SA6D125E-3D-MS
SA6D125E-3D
SAA6D125E-3A
SAA6D125E-3A-8M
SAA6D125E-3A-8W
SAA6D125E-3B
SAA6D125E-3H-8M
SAA6D125E-3M-8M
WA470-5
WA480-5
فروشندگان این قطعه
در صورتی که فروشنده ای برای این قطعه وجود نداشت و یا اینکه مایل به دریافت پیشنهاد قیمت از سایر فروشندگان هستید میتوانید یک درخواست برای این قطعه ایجاد کنید


