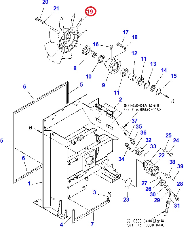
600-625-7620 پروانه موتور PC220-7
[ FAN ]
نام فارسی : پروانه ( پنکه )
شماره فنی قطعه : 600-625-7620
وزن قطعه : 10.800 کیلوگرم
حدود قیمت قطعه اصلی در کشور مبداء : 459.60 دلار
زمان بروز رسانی قیمت : 00:00:00 11-09-2025
600-625-7620 پروانه ( پنکه )
پروانه ( پنکه ) موتور بیل مکانیکی کوماتسو PC220-7
ماشین های سازگار
PC220-7
PC1250-8
فروشندگان این قطعه
در صورتی که فروشنده ای برای این قطعه وجود نداشت و یا اینکه مایل به دریافت پیشنهاد قیمت از سایر فروشندگان هستید میتوانید یک درخواست برای این قطعه ایجاد کنید




